Mighty Mariner - die Motorsteuerung der Extraklasse
Der Mighty Mariner ist eine elektronische Antriebsteuerung, für maximal 4 Steuerstände und 2 Maschinen, mit CAN Bus für maximal 40m Kabellange. Er verfügt als besonderes Merkmal über keine separate CPU, die mit einem Laptop konfiguriert werden müsste. Die Mighty Mariner CPU ist in die Stellmotoren integriert und ist einfach über DIP Schalter und Potentiometer konfigurierbar.
Für den Mighty Mariner gibt es eine Auswahl von Hebelschaltungen und weiteren Optionen, die ihn in seinen Fähigkeiten unterstützen - und das ist auf hohem Niveau angesiedelt. In der Basisversion besteht er aus einer oder mehreren Hebelschaltungen KB6505S in Verbindung mit einem oder mehreren Stellmotoren KB6527S, oder an deren Stelle dem elektronischen Interface 6503 - je nachdem ob die Maschinen elektronisch oder mechanisch geregelt sind. Verschiedene alternative Kontrolleinheiten und diverse Optionen ergänzen das System.
Leistungsfähige Software und die bei Kobelt sprichwörtliche ewig haltende Qualität machen aus dem Mighty Mariner ein ganz besonders attraktives und erfolgreiches Produkt.
Beispielhafte Systemkonfigurationen
1 mechanisch geregelte Maschine mit 2 Steuerständen
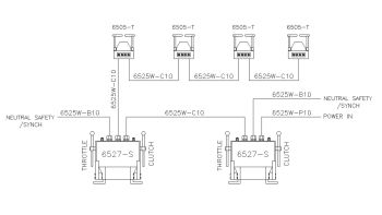
Der Mighty Mariner kann von 1 Maschine und 1 Steuerstand bis hin zu 2 Maschinen und 4 Steuerstände jede beliebige Konfiguration verwalten. Maximale Kabellänge für das verbindende CAN Bus Kabel ist 40m. Hier sind beispielhaft einige Systembilder dargestellt.
2 mechanisch geregelte Maschinen mit 4 Steuerständen
Die Reihenfolge, in der die Einheiten angeschlossen werden, spielt keine Rolle. Man kann sie also in der baulich optimalen Reihenfolge verdrahten.
An jedem der Fahrstände haben Sie die vollkommene Kontrolle über das System, seinen Status, eventuelle Alarme und sonstige Funktionen.
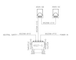
1 elektronisch geregelte Maschine mit 1 Steuerstand und 1Remote Einheit
Der Mighty Mariner gibt Ihnen ein langfristig extrem zuverlässiges, perfekt konfiguriertes und vielfältig abgesichertes System, dass anderen Systemen seiner Klasse weit überlegen ist.
Sicherheit
Der Mighty Mariner ist so konzipiert, dass jede Kontrolleinheit und jeder Stellmotor ein eigenständiges Gehirn haben. Somit kann, wenn eine Kontrolleinheit ausfällt, das System von jedem anderen Fahrstand aus weiterhin betrieben werden. Wenn einer der Stellmotoren ausfällt, oder ein mechanisches Problem existiert, zum Beispiel an einem der Bowdenzüge zur Maschine, kann ggf. die zweite Stelleinheit weiterhin betrieben werden.
Für verschiedene Ausfälle sind die Einheiten so programmiert, dass die jeweils beste Notfallkonfiguration aktiv bleibt, bzw. aktiviert wird, so dass das Schiff weiterhin bestmöglich kontrollierbar bleibt. Zusätzlich zu all diesen Sicherheitsvorrichtungen hat der Schiffsführer jederzeit ein vollständig manuelles Backupsystem zur Verfügung, denn die Stellhebel an jeder Funktion haben alle einen mechanischen Bedienhebel, der völlig unabhängig von allen elektrischen Bauteilen die Funktion kontrollieren kann.
System-Steuerkarte KB6503
Die 6503-Einheit ist eine Zweifunktions-Steuerkarte, die elektronische Steuersignale für die Drosselklappenausgänge und die Kupplungsmagnete im Kobelt Mighty Mariner-Steuersystem bereitstellt. Sie kann
- alle Eingangsinformationen von den Steuerköpfen und den zugehörigen Schaltfeldern überwachen,
- überwacht weiterhin seine Kupplungs- und Drosselklappenstellungen sowie die Synchronisiereingänge,
- steuert und positioniert elektronische Drosselklappen und ihre elektrische Kupplung in Übereinstimmung mit der Steuerkopfhebelbewegung,
- und kommuniziert über die Kontrollstationen mit Leuchtsignalen und akustischen Alarmen.
System-Stellmotor KB6527S
Wenn der Mighty Mariner mit mechanisch kontrollierten Maschinen eingesetzt wird, werden diese über sogenannte Stellmotoren angesteuert, die im oder am Maschinenraum installiert werden. Der Mighty Mariner verwendet die Kobelt Stellmotor KB6527S, die kleinste der Kobelt Aktuatoren.
Das komplette Mighty Mariner System besteht dann aus:
- 1 bis 4 Hebelschaltungen
- 1 bis 2 Doppelstellmotoren 6527S für 1 oder 2 Maschinen
Die Stelleinheit KB6527S ist eine autarke Einheit für die mechanisch gesteuerter Maschinen. Sie steuert 2 Bowdenzüge, von denen typisch einer die Maschinendrehzahl und der andere das Getriebe kontrollieren. Wie alle Kobelt Produkte wird auch die KB6527S ist aus Edelstahl und korrosionsfester Bronce hergestellt. Sie beinhaltet die gesamte erforderliche Technik, auch die CPU. Alles ist innerhalb des Gehäuses untergebracht. Die Stelleinheit wird unter Deck installiert und ist deshalb nicht wasserdicht.
Die Stelleinheit KB6527S hat für jede Funktion eine manuelle Notbedienung, die durch je einen Hebel betätigt werden. Die Hebel werden einfach durch eine Raste vom Motor getrennt, sind damit in Sekundenbruchteilen manuell einsatzbereit, und arbeiten dann wie eine mechanische Maschinensteuerung. Damit hat der Steuermann zu jeder Zeit alternativ eine rein mechanische Kontrollmöglichkeit über die Maschinen. Ein ganz wichtiger Sicherheitsaspekt!
Hebelschaltung KB6505S
Die Hebelschaltung KB6505S ist das serienmäßig für den Mighty Mariner vorgesehene Fahrstands-Kontrollelement. Es ist in diversen Finishversionen lieferbar:
- Bronze natur, poliert
- Bronze, verchromt
- Bronze, schwarz Epoxy beschichtet
- Bronze, weiß Epoxy beschichtet
KB6505S kontrolliert eine oder zwei Maschinen. Die Einmaschinenversion hat oben auf dem Hebel eine Verbindung, so dass aus dem Doppelhebel ein Einfachhebel wird. Die Einheit ist sehr kompakt, von oben vollständig wasserdicht und kann in jeder Einbauposition verwendet werden.
System-Kalibrierung
Die Platinen an den Hebelschaltungen und an den Stelleinheiten sind so konfiguriert, dass der Installateur bequem mit wenigen Schaltereinstellungen bzw. Trimmpots die gewünschten Justierungen und Eingaben vornehmen kann. Es ist kein Spezialwerkzeug, kein Laptop und kein besonderes Fachwissen notwendig. Die Konfigurationsmöglichkeiten umfassen:
- Individualisierung der Kontrolleinheiten an Fahrstand 1 bis 4, später auch änderbar, der Systemstart erfolgt immer an Fahrstand 1.
- Individualisierung der Hebelschaltungen (wenn 2 Maschinen) - welche Einheit ist steuerbord, welche ist backbord.
- Einstellung der Bewegungsorientierung der Stellmotoren - vorwärts = Schub, rückwärts = Zug, oder umgekehrt.
- Elektronische Feineinstellung der Hubwege beider Stellmotoren (+- 25% des mechanisches Weges) - dieses kann zusätzlich zu den normalen mechanischen Einstellmöglichkeiten am Bowdenzug und über das Multi- Loch-System an den Hebeln erfolgen.
- Einstellung der Sicherheits-Zeitverzögerungen für Drehzahlerhöhung und Neutralposition (jeweils 0 - 24 Sekunden).
- Einstellung Throttle Boost: max. 20% für max. 3 Sekunden.
- Einstellung Synchro Modus: Master Maschine steuerbord, Slave backbord, oder umgekehrt.
- Aktivierung und Deaktivierung des Kalibrierungsmodus.
Das System kommt von uns fertig kalibriert an Bord. Nur im seltenen Servicefall eines Platinenwechsels vor Ort ist eine Neukalibrierung der betroffenen Einheit notwendig, die dann aber extrem einfach durchzuführen ist. Setzen Sie einfach einen DIP Schalter und legen Sie den Hebel 1x VOLL ZURÜCK und 1x VOLL VORAUS. DIP Schalter wieder deaktivieren, fertig.
System-Start
Das Hochfahren des Systems erfolgt immer an Fahrstand 1. Beim Hochfahren werden die Stellmotoren immer in LEERLAUF NEUTRAL gehen, bevor die Maschinen gestartet werden - völlig unabhängig davon, wie sie vorher standen, und ebenfalls unabhängig davon, wie die Hebel auf den Fahrständen gerade stehen. Damit ist sichergestellt, dass die Maschinen nur in LEERLAUF NEUTRAL gestartet werden.
Nach dem Hochfahren des Systems übernimmt der Steuermann zunächst auf Fahrstand 1 das System, indem er es durch Druck auf den grünen Taster aktiviert (die Hebel an Fahrstand 1 müssen hierzu in LEERLAUF NEUTRAL stehen).
Übergabe an andere Fahrstände
Nachdem das System an Fahrstand 1 aktiviert worden ist, ist es zunächst gegen Übernahme der Kontrolle von einem anderen Fahrstand aus geschützt (Vorgabewert = Station Lock ON). Durch Druck auf den roten Taster an Fahrstand 1 kann es entriegelt werden, und dann kann von jedem Fahrstand aus die Kontrolle übernommen werden. Über die rote Taste kann es dann auf Wunsch am aktiven Fahrstand aus wieder verriegelt werden.
Die Hebel der inaktiven Fahrstände werden nicht mitgeführt. Bei Übernahme wird das System die aktuelle Hebelstellung der neuen aktiven Station übernehmen, und die Maschinen entsprechend stellen. Das kann zu Veränderungen an Drehzahl oder Getriebeposition führen, allerdings ist das System durch die voreingestellten Zeitverzögerungen (s.u.) technisch geschützt. Es macht also Sinn, am neuen Fahrstand zunächst die Hebelpositionen zu prüfen, gegebenenfalls auf die derzeitige Maschinenstellung zu positionieren, und erst dann die Kontrolle zu übernehmen.
Wenn man Drehzahlveränderungen bei einem Fahrstandwechsel vollständig vermeiden möchte, sollte man vor dem Wechsel beide Hebel am alten und neuen Fahrstand auf LEERLAUF NEUTRAL stellen.
Synchro Modus
Zwei Maschinen können im Synchro Modus betrieben werden. Aktivierung durch Druck auf den weißen Taster. Das System regelt im Synchro Modus die als "Slave" definierte Maschine nach der als "Master" definierten Maschine ein. Abstimmung erfolgt nach der Kraftstoffpumpen Situation.
Wenn Wellendrehzahlsensoren installiert wurden, analysiert das System laufend die Wellendrehzahl beider Maschinen und regelt diese exakt aufeinander ein. Die Kontrolle der Wellendrehzahl ist wesentlich genauer als die Synchronisierung über die Kraftstoffversorgung. Der Mighty Mariner synchronisiert mit Wellensensoren bis etwa 3 U/min genau! Im Setup kann jede der beiden Maschinen als Master gewählt werden.
Throttle Boost
Throttle Boost ist eine kurzfristige Drehzahlerhöhung, wenn der Schiffsführer nach Fahren mit hoher Drehzahl das Getriebe umsteuert und die Hebel in LEERLAUF belässt. Zum Beispiel von VOLL VORAUS nach LEERLAUF ZURÜCK, oder umgekehrt. Throttle Boost vermeidet das manchmal in dieser Situation vorkommende "Abwürgen" der Maschinen. Throttle Boost kann auf folgende Modi eingestellt werden:
- 10% für 2 Sekunden
- 20% für 2 Sekunden
- 30% für 3 Sekunden
- kein Throttle Boost
Laufende Systemüberwachung
Der Mighty Mariner uberprüft sich fortlaufend selbst. Er erkennt und meldet laufend sofort jedes eventuelle Auftreten eines der folgenden Fehler:
- Jede Art von Fehlkonfiguration innerhalb des Setup
- Fehler an einem Kommunikationskabel
- Fehler an einem Stromzuleitungskabel
- Fehler an einem Neutralschalter Spannungsschwankungen in der Stromversorgung, wenn über die Toleranz hinausgehend
- Mechanische Probleme an einem der Bowdenzüge oder sonstige mechanische Widerstände Fehler an einem Potentiometer (Kontrolleinheit / Stellmotor)
- Betriebstemperatur > 55°C
Wenn die Software einen dieser Fehler erkennt, reagiert sie durch einen spezifischen Alarm. Dessen Kodierung führt den Schiffsführer direkt an die Quelle des Problems. Zusätzlich, je nach Art des festgestellten Fehlers, wird das System Schadensbegrenzungsaktionen durchführen, oder auch nicht. Zwei Beispiele:
- Betriebstemperaturmaximum überschritten (Temperatur innerhalb des Stellmotors > 55 C). Es ertönt das für Übertemperatur typische Alarmsignal. Das System bleibt voll operationsfähig. Es wird dem Schiffsführer überlassen, Gegenmaßnahmen zu ergreifen, aber das Schiff bleibt vollständig kontrollierbar.
- Wegen einer mechanischen Blockade lässt sich der Schaltzug nicht mehr stellen. Es ertönt der für mechanische Probleme typische Alarmcode. Das System wird das Problem analysieren, und in diesem Fall sofort den Gaszug auf LEERLAUF regeln. Um zu vermeiden, dass das Schiff unkontrollierbar mit VOLL VORAUS läuft. Die Stelleinheit für die zweite Maschine bleibt aktiv, das Schiff kann mit einer Maschine manövriert werden.
Optionen
Das Mighty Mariner System lässt sich mit verschiedenen Kontrolleinheiten und mit Optionen wie Neutralschalter usw. erweitern.Diverse weitere Optionen sind bestellbar, zum Beispiel 24V Spannungskonverter, externe Neutralschalter bzw. Bremsschalter, Wellendrehzahl- Sensoren, wesentlich weitergehende elektronische Konfigurationselemente - und vieles mehr.
Herstellergarantie
KOBELT gibt auf alle elektronischen Systeme 2 Jahre Garantie. Das ist die beste Garantie, die die Industrie vergibt. Strenge Qualitäts- und Materialkontrollen sowie die hochwertigen Grundmaterialien von KOBELT (nur Bronze und Edelstahl!) geben Ihnen auch nach Ablauf der Garantie große Funktionssicherheit.


