Elektronische Steuersysteme Typ 6525
EINE LANGE GESCHICHTE
Seit den bescheidenen Anfängen im Jahr 1962 hat sich Kobelt Manufacturing Limited der Herstellung der besten Marinesteuerungen der Welt verschrieben. Seit der ersten pneumatischen Steuerung hat man an die einfachen Dinge geglaubt
- Robuste Konstruktion
- Hochwertige Materialien
- Schnelle Lieferung an unsere Kunden.
Heute hat sich die Technologie verändert, aber das Engagement blieb gleich. Von Kobelts Innovationen in der elektronischen Steuerung bis zum handwerklichen Können mit Bronze und Edelstahl, Kobelts Produkte begleiten die Ozeane von die Welt, und fördern den Ruf als internationaler Marktführer in der maritimen Technologie.
KOBELTs ELEKTRONISCHES ANTRIEB-STEUERSYSTEM 6525
Kobelt hat zwei primäre elektronische Steuerungssysteme entwickelt: den Mighty Mariner, der bis zu 4 Stationen aufnehmen kann, und den 6525, für komplexere Steuerungslayouts, die bis zu 8 Stationen benötigen. Das 6525 System erfordert eine Kombination von Produkten - Steuerungsköpfe, Mikroprozessoreinheit, eventuell Alarm- und Telegrafentafeln, Aktuatoren und andere Komponenten. Wir freuen uns darauf, mit Ihnen zusammen das beste System für Ihre spezifischen Anforderungen zu finden. Detailinformationen zu diesen Komponenten finden Sie hier:
6525 Systemkomponenten im Shop
Die generellen Charakteristika des 6525 Systems sind:
- Motorola-Mikroprozessor mit einem LAN-Eingang für Head-Units.
- Bis zu zwölf Punktschaltereingänge für den Synchronisator und Alarme.
- Achtpunkt-Potentiometereingang für die Rückmeldung des Stellantriebs.
- Sechs Aktorausgänge.
- Zwei Bremsrelais.
- Alarmrelais.
- RS232-Kommunikationsanschluss, um zuverlässige Kommunikation und Kalibrierung aller Komponenten des Steuerungssystems sicherzustellen.
NUR MATERIALIEN ALLERBESTER QUALITÄT
Um einen jahrelangen korrosionsfreien Betrieb zu gewährleisten, sind alle Kobelt Steuerungskomponenten aus Bronze und Edelstahl gefertigt. Schauen Sie genau hin und Sie werden sehen, dass Kobelt sogar Bronze verwenden, um solche Dinge wie Mikroprozessoren und Leiterplatten unterzubringen. Es kann etwas mehr Aufwand erfordern, aber es versichert Kobelt, dass man Ihnen nur das Beste liefern.
6525 - EXAKT FÜR IHR ANFORDERUNGSPROFIL MASSGESCHNEIDERT ANGEFERTIGT
Vom einfachsten manuellen hydraulischen Lenkgetriebe bis zu den modernsten elektrohydraulischen Lenksystemen für Hochseeschiffe kann Kobelt nach Maß fertigen, um Ihre genauen Bedürfnisse zu erfüllen. Die Produktlinie von Antriebsprodukten, Steuerungskomponenten und Lenksystemen ist die umfassendste der Welt. Alle Kobelt Produkte von Bewdeutung sind von der Europäischen Gemeinschaft zugelassen, oder zur Genehmigung beantragt.Verfügbare Funktionen sind:
- Elektronische oder mechanische Drosselklappenausgänge
- Elektrischer oder mechanischer Kupplungsausgang
- Konstante und variable Zeitsteuerung
- Gasboost
- Übersteuerungsdrossel
- Zeiteinstellung der Wellenbremse
- Außenverriegelung der Station
- Schleppventil
- Omega-Rutschkupplung
- Zapfwellensteuerung
- Kupplungsverzögerung
- CP-Propellersteuerung
- Motorlaststeuerung
- Motor-Synchronisator
- Motoralarme
- Kontrollüberwachung
Einige typische Systemschaubilder des 6525 Systems
2 Fahrstände, 2 elektronisch geregelte Maschinen, Trolling Einrichtung
Ein elektronisches 6525 Kontrollsystem, konfiguriert mit einem elektrischen Getriebe, 4-20 mA elektronischem Motorregler mit einem Schleichfahrt-Stellantrieb. Kobelt kann alle Signale zur Steuerung von Antriebsmaschinen direkt vom Hauptmikroprozessor erzeugen. Der Antrieb des Modells 6524 wird benötigt, um die beiden Schleichfahrt-Ventile zu steuern. Standard sind die Übersteuerungsanzeige, Synchronisator und der 8-Punkt-Alarm.
3 Fahrstände, 2 Maschinen, Trolling Einrichtung
Zur Verwendung mit hydraulisch betätigten Kupplungen, mechanischen Reglern und Trolling-Ventilen. Setzen Sie das Trolling-Ventil für normalen Betrieb in Sperrstellung, um den Motor von Leerlauf auf volle Drehzahl zu bringen. Sperren Sie die Drosseln im Leerlauf oder in der Nähe der Leerlaufposition, wenn Sie den Trolling-Modus wählen. Der Schlupf wird proportional zum Trollingventil erhöht und verringert, wenn der Steuerkopf im Drosselklappenbereich betrieben wird und die Aktuatoren in die maximale Position gehen. Eine Beschädigung der Getriebe wird verhindert, wenn mit niedriger Drehzahl geschleppt wird.
2 Fahrstände, 2 hydraulische Getriebe
Mit zwei hydraulisch betätigte Getriebe und zwei mechanischen Stellantrieben werden Magnetaufnehmer über zwei synchronisierte Drähte mit dem Mikroprozessor verbunden. Der Motor wird synchronisiert, wenn diese Information in den Mikroprozessor eingegeben wird. Alle Kobelt Steuerungssysteme arbeiten mit dem Synchronizer.
3-Stationen, 1 mechanisch gesteuerte Maschine
Mit einem hydraulisch betätigten Getriebe und einem normalen mechanischen Motorregler können die Verbindungskabel zwischen dem Mikroprozessor und den Stellantrieben auf die spezifischen Längen des Kunden zugeschnitten werden. Kabel sind in Längenstufen von je 10 m erhältlich, und können direkt an den Hauptmikroprozessor 6525 angeschlossen werden. Klemmleisten für die Kabel an den Aktoren.
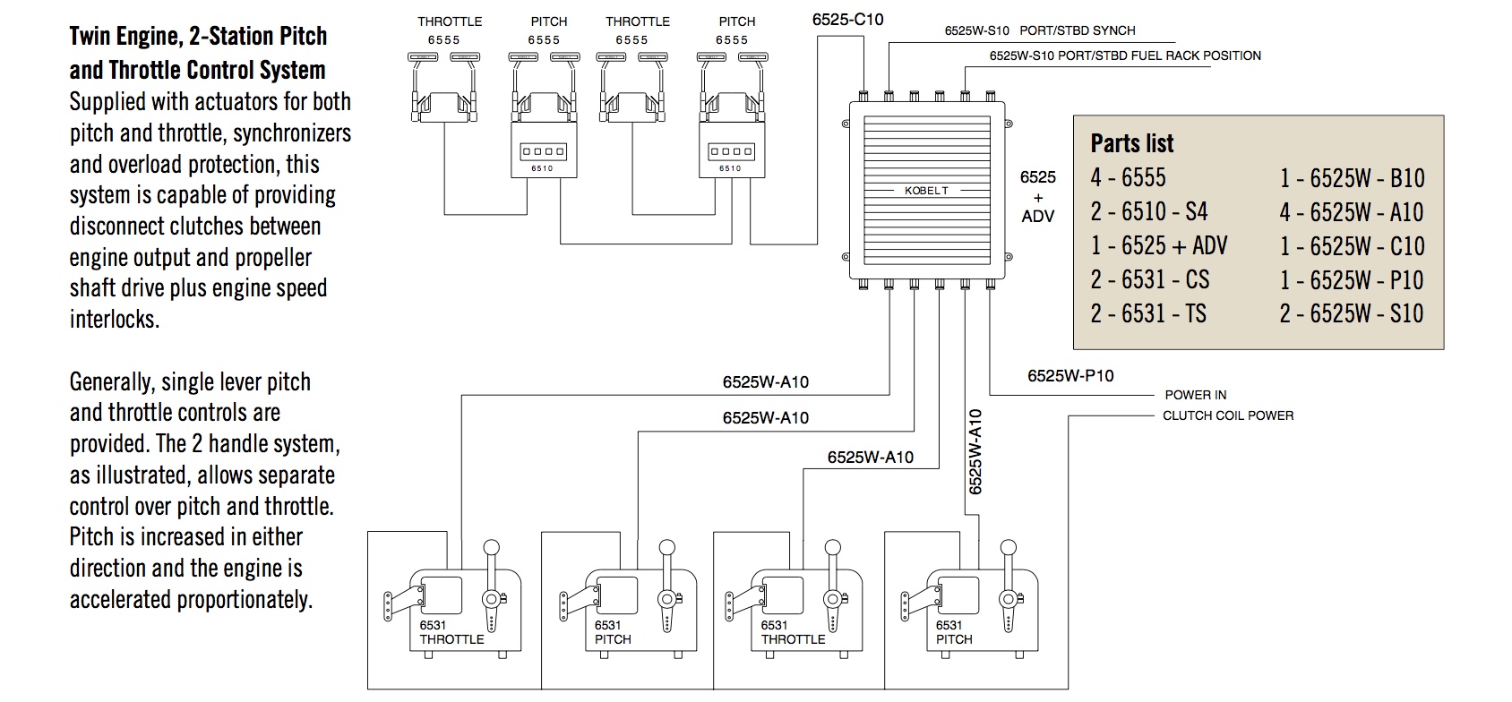
2 Fahrstände, 2 Maschinen - 2-stufiges Steigungs- und Drehzahlsteuersystem
Dieses System ist mit Aktuatoren für Steigung und Drehzahl, Synchronisierungen und Überlastschutz ausgestattet und kann Trennkupplungen zwischen Motorausgang und Propellerwellenantrieb sowie Motordrehzahlverriegelungen bereitstellen. Im Allgemeinen sind Einhebel-Steigungs- und Gasregler vorhanden. Das 2-Hebel-System ermöglicht, wie dargestellt, eine separate Steuerung von Steigung und Drehzahl. Drehzahl wird in beide Richtungen erhöht und der Motor wird proportional beschleunigt.


