Hydraulische & elektronische Schiffssteuerungen
10 typische Systemschaubilder
1. eine manuelle hydraulische Steuerung
Eine manuelle hydraulische Steuerung arbeitet vollständig "von Hand" und ist ausschließlich von der Kraft / Bewegung des Rades abhängig, um Hydrauliköl zu dem Steuerzylinder / den Steuerzylindern zu pumpen, der / die das Schiff steuert/ steuern.
Vorteile
- Eine gut kontrollierbare und einfach arbeitende Methode, ein Boot zu steuern
- Zuverlässig - viele problemlose Jahre Schiffssteuerung
- Einfach und kostengünstig zu installieren
2. eine elektrisch unterstützte Servosteuerung
Der Steuerzylinder wird durch ein elektrisches Powerpack, das durch einen Jog-Hebel aktiviert wird, angetrieben. Er drückt das Hydrauliköl zum und in den Steuerzylinder. Die blass eingezeichnete manuelle Steuerpumpe wird unter anderem als Notpumpe und aus Sicherheitsgründen empfohlen.
Vorteile
- Diese Steuerung kann problemlos in andere Steuerungskonzepte integriert werden
- Fingerspitzenkontrolle mit minimalem Aufwand
- Die elektrische Steuerung kann als Zweitsystem oder als Haupt-Steuersystem genutzt werden
3. eine vollhydraulische Servosteuerung
Die vollhydraulische Servo-Steuerung arbeitet mit einem Servo-Steuerzylinder (Servozylinder). Das Vom Steuergeber geförderte Hydrauliköll wird in das Servoventil geleitet, aber nicht in den eigemtlivjem Steuerzylinder. Weniger Volumen ist für eine bestimmte Zylinder-Bewegung erforderlich, und weniger Radumdrehungen bei weniger Druck. Das erleichtert dem Steuermann die Arbeit enorm. Der Steuermann bewegt viel weniger Öl als der Zylinder benötigt, und er wird vom Hydraulikdruck auf dem Steuerzylinder komplett freigehalten. Das hier gezeigte System hat weiterhin einen Ruderlage-Rückmelder und einen Jog Lever integriert, letzterer ist als Sekundär-Fahrstand vorgesehen.
Übrigens, im Falle eines Stromverlustes arbeiten Kobelt Servo-Steuerzylinder automatisch als normale Zylinder weiter. Man hat mehr Arbeit und es ist mühsamer - aber das Schiff ist unverändert steuerbar!
Vorteile
- Sehr kompakt
- Einfach zu installieren
- Wartungsarm
- Wenige und leichtgängige Steuerrad-Drehungen, wie bei der klassischen Servolenkung im Auto
4. ein vollständig elektronisches Schiffssteuersystem
Eine vollständig elektronisch kontrollierte Full-Follow-Up Schiffssteuerung, geeignet für große Schiffe mit mehreren Fahrständen.
Das gezeigte System beinhaltet 3 Stationen, Ruderlage-Rückmelder mit 3 Anzeigen, Transferbox und Verstärker, Powerpack-gesteuerten Ölfluss, und eine manuelle (Not-) Steuerpumpe im System. Über diese manuelle Pumpe bleibt das gesamte Steuerungs-System auch bei komplettem Stromausfall nutzbar, und das Schiff somit komplett sicher in allen Notsituationen unter Kontrolle.
Vorteile
- Unbegrenzte Möglichkeiten
- Sehr vielseitig bei einfacher Installation
- So können Sie problemlos auch die komplexesten Systeme umsetzen
5. ein vollelektronisches Multi-Station-System mit "elektronischer Zugstange"
Dieses System ist schon recht umfassend. Ein vollelektronisches Multistations-Steuerungssystem für einen Katamaran, ein Versorgungsschiff oder ein Forschungsschiff, ausgestattet mit zwei unabhängigen Rudern und integriert in ein dynamisches Positionierungssystem.
Beide Ruder gleichen sich elektronisch ab, deshalb "elektronische Zugstange". Beide Ruder haben je ein Powerpack als Öl-Versorgungssystem, beide Powerpacks können sich gegenseitig ersetzen. Alle drei "normalen" Fahrstände haben je zwei Ruderlage-Rückmelder (wegen des Doppelruder Systems), sodass der Steuermann immer über die aktuellen Positionen beider Ruder informiert ist. Die Ruder haben je zwei Ruderlage-Rückmelder, sodass auch hier immer Funktionssicherheit herrscht. Ein Not-Fahrstand mit manueller Steuerpumpe sichert die unbedingte Funktionsfähigkeit des Systems, auch bei komplettem Energieverlust.
Vorteile
- Zwei unabhängige Ruder mit rein elektronischer Synchronisierung (keine echte Zugstange erforderlich)
- Extrem zuverlässig
- Elektronische, hydraulische und manuelle Schiffskontrolle
- Integration von "Lenkrad", Joysticks, Jog Lever, Notsteuerstand und Autopilot
6. ein DNV zugelassenes Steuersystem - für ein Versorgungsschiff
Hier sehen Sie ein Beispiel eines Steuersystems für ein Versorgungsschiff, das DNV-zugelassen ist. Der Backbord- und das Steuerbord-Steuersystem sind unabhängig und haben je eine eigene Steuerung. Von der Hauptsteuerstation aus können Sie das Schiff mithilfe der No-Follow-Up Jog Lever steuern, die die Ruder unabhängig voneinander kontrollieren. Oder Sie können die Full-Follow-Up Jog Lever nutzen und die Ruder entweder unabhängig oder synchron steuern, je nach Wunsch. Oder Sie können per Tasterfeld oder per Joystick oder per Autopilot steuern.
Von der Heckstation aus können Sie mit den No-Follow-Up Jog-Hebeln oder dem Full-Follow-Up Controller mit getrennten oder mit synchronisierten Rudern arbeiten. Die lokale Steuerung im Maschinen-Kontrollraum ist über die Tasterfelder 6511-LP verfügbar, die wenn aktiv typisch die Signale aus dem Hauptfahrstand übersteuert.
Aus Sicherheitsgründen sind die No-Follow-Up Steuerventile unabhängig von den Full-Follow-Up Steuerventilen. An verschiedenen Standorten stehen Panorama- und Standard-Ruderlage-Rückmelder zur Verfügung. Signale an ein VDR-System (Voyage Data Recorder) werden ebenfalls bereitgestellt.
7. Ein ABS zugelassenes Steuersystem für die Antriebsanlage - für ein Versorgungsschiff
Zwei unabhängige Systeme steuern die Backbord / Steuerbord Motoren von drei alternativen Fahrständen aus, über Standard-Steuerhebel. Ein dynamisches Positioniersystem (DP) und ein Joystick-System sind ebenfalls in das Steuerungssystem integriert, um dem DP und dem Joystick die volle Kontrolle zu ermöglichen.
Die Motoren und Getriebe werden über elektromechanische Aktuatoren (6527) gesteuert, die mit einer Handhilfsbetätigung ausgestattet sind, so dass im Notfall eine lokale Kontrolle im Maschinenraum möglich ist.
"Fahrstand aktiviert" und "Alarm" Indikatoren sind an jeder Station vorhanden.
8. ein Kontrollsystem für Antriebe, Schiffssteuerung, und Querstrahler
Drei Systeme sind auf dieser Zeichnung zu erkennen - eine elektronische Antriebssteuerung, eine elektrisch / hydraulische Schiffssteuerung und eine Bugstrahlrudersteuerung.
Das Lenksystem steuert zwei unabhängige Ruder ("elektronische Zugstange") mit zwei unabhängigen Reglern (7173-K Verstärker). Die Backbord / Steuerbord Bugstrahlruder werden über zwei Mighty Mariner System mit den 6503 Karten gesteuert. Das Antriebssystem steuert zwei elektronisch geregelte Motoren, zwei elektrische Getriebe und zwei elektronische Trolling-Ventile.
Die Schiffssteuerung hat zwei Controller, zum einen über einen elektronischen Rudergeber 7172 im Ruderhaus, zum anderen über einen 7176 Satellite als mobile Fernsteuerung. Ein Autopilot ist ebenfalls in das System integriert.
Elektronische Signale von diesen Steuerungen ermöglichen die Steuerung der Querstrahler vom 7176 aus.
9. ein integriertes Antriebs- und Schiffssteuersystem für 2 Water-Jets
Das Antriebssystem steuert zwei elektronisch geregelte Motoren und zwei Water-Jets unter Verwendung von Wegeventilen. Die Schiffssteuerung kontrolliert die lenkbaren Düsen über einen Joystick im Ruderhaus, und über eine mobile Satellite Station 7176. Weiterhin ist ein Autopilot in das System integriert.
Eine Festeinbau-Station, ein 6555 Controller, ist im Ruderhaus vorgesehen. Die 7176 Satellite Mobileinheit dient zur Steuerung an den beiden anderen Fahrständen, gesteuert über 2 Stück 6507-S6 Tasterfelder. Von allen Stationen aus kann man die Motoren und die Jets im Synchro- oder in unabhängigem Modus fahren. Im unabhängigen Modus kann man die Düsen im Leerlauf oder mit einer vorgewählten Drehzahl laufen lassen.
Ein Backup System in Form eines 6511-4-20 ist im Ruderhaus für den Notbetrieb vorgesehen. Von diesem Gerät aus können Sie die Motordrehzahl über Trimmpotentiometer einstellen und die Steuer- und Düsenventile im Non-Follow-Up Modus mit aktivierten Kippschaltern steuern.
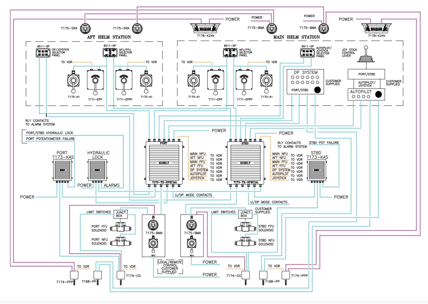
10. ein DNV zertifiziertes Steuersystem mit 2 Rudern & "elektronischer Zugstange"
Dieses Schiffssteuersystem ist für ein Forschungsschiff vorgesehen, das mit zwei unabhängigen Rudern ausgestattet ist. Außerdem ist ein Autopilot in das System integriert, der mit synchronisierten Rudern arbeitet. Der bei den 7198 Controller Einheiten verfügbare Non-Follow-Up Modus kann bei einem Ausfall des Full-Follow-Up Systems verwendet werden.
Die beiden Ruder werden unabhängig voneinander über zwei separate Verstärker gesteuert (7173-KAS). Die hintere Ruderstation ermöglicht die Schiffssteuerung über Full-Follow-Up Modus am 7198, mit synchronisierter oder unabhängiger Rudersteuerung. Ein dynamisches Positionierungssystem steuert beide Ruder im DP-Modus - und weiterhin steuert ein Joystick-System beide Ruder an.
Der vordere Fahrstand verfügt ebenfalls über einen 7198 Full-Follow-Up Controller, der synchronisierte oder unabhängige Rudersteuerung im FFU-Modus, und unabhängige Steuerung im Non-Follow-Up Modus ermöglicht. Von der Steuerung unabhängige Ruderlageanzeigen sind an verschiedenen Standorten verfügbar.
Darüber hinaus ist ein hydraulischer Steuerstand im Kontrollraum vorgesehen, um das Steuern des Schiffes im Falle eines totalen Leistungsverlustes zu ermöglichen.


